一、光伏项目用地的地类要求
1、地类划分:13个一级类56个二级类
自然资源部按照《土地利用现状分类》(GB/T21010-2017)、《第三次全国国土调查工作分类》及相关规定,第三次全国国土调查(以下简称“三调”)全面掌握了全国陆地国土的利用现状等情况,查清了耕地、园地、林地、草地等13个一级类56个二级类的利用状况,形成了统一的底图、底版,是国土空间规划、用途管制、耕地保护等各项工作的基本依据。
表:国土三调中的部分地类
2023年3月20日,自然资源部办公厅、 国家林业和草原局办公室、 国家能源局综合司联合下发了《关于支持光伏发电产业发展规范用地管理有关工作的通知》,对光伏方阵用地和配套设施用地实施分类管理,可使用地类的要求不同。
1)光伏方阵用地
包括光伏面板、采用直埋电缆敷设方式的集电线路等用地,不改变地表形态的,可按地表地类认定和管理。
位于光伏方阵内部和四周,直接配套光伏方阵的道路,可按农村道路用地认定和管理。
光伏方阵用地允许以租赁等方式取得,用地单位与农村集体经济组织或国有土地权利主体、当地乡镇政府签订用地与补偿协议,报当地县级自然资源和林草主管部门备案。
涉及农业用地:不得占用耕地,占用其他农用地的,应根据实际合理控制,节约集约用地,尽量避免对生态和农业生产造成影响。
涉及林地:须采用林光互补模式,可使用年降水量400毫米以下区域的灌木林地以及其他区域覆盖度低于50%的灌木林地。
涉及草地:除基本草原外草原的,地方林草主管部门应科学评估本地区草原资源与生态状况,合理确定项目的适建区域、建设模式与建设要求。鼓励采用“草光互补”模式。
2)配套设施用地
包含变电站及运行管理中心、集电线路、场内外道路等配套设施用地,按建设用地认定和管理,
依法依规办理建设用地审批手续。其中,涉及占用耕地的,按规定落实占补平衡。符合光伏用地标准,位于方阵内部和四周,直接配套光伏方阵的道路,可按农村道路用地管理,涉及占用耕地的,按规定落实进出平衡。其他道路按建设用地管理。
关于光伏项目用地的地类要求,更多内容可参考《最新:光伏用地政策汇总!》二、光伏项目用地的面积要求
根据自然资源部公示《光伏发电站工程项目用地控制指标》、《国土调查数据缩编技术规范》、《地籍调查基本术语》等3项行业标准报批稿。用地控制指标中,用地面积的控制因素分为4个,分别为:地势条件、安装类型、场址经纬度、组件转换效率。
1)按地势分为3类场址
总体指标按Ⅰ类地形区、Ⅱ类地形区、Ⅲ类地形区分别控制。
Ⅰ类地形区:是指地形无明显起伏,地面自然坡度小于或等于3°的平原地区;
Ⅱ类地形区:是指地形起伏不大,地面自然坡度为3°~20°,相对高差在200m以内的微丘地区;
Ⅲ类地形区:是指地形起伏较大,地面自然坡度大于20°,相对高差在200m以上的重丘或山岭地区。
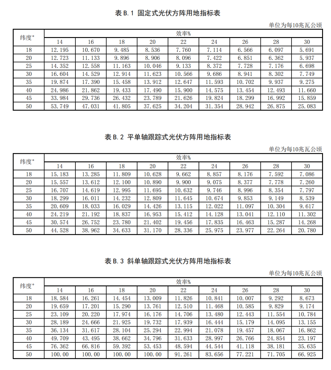
2)按安装类型分为4类
由于光伏发电站光伏方阵主要按四种形式进行排列安装,即固定式、平单轴跟踪式、斜单轴跟踪式、双轴跟踪式。因此,总体指标按四种排列形式分别给出Ⅰ类地形区、Ⅱ类地形区、Ⅲ类地形区不同地形条件下用地规模。
3)按场址经纬度、转换效率控制
光伏组件的全面积效率从光电效率14%-30%,每提高2%作为计算的基本点,划分为9个区间;纬度范围为18°~50°之间,涵盖了我国31个省(区、市)所在区域范围。
整体的面积控制如下表所示。以北纬35°、转换效率为22%计算,1万千瓦固定式控制面积为12.647公顷;平单轴跟踪为13.115公顷,斜单轴跟踪为22.994公顷,双轴跟踪为25.064公顷,占地是固定式的2倍!
以Ⅰ类地形区为例,不同安装方式、不同纬度、不同转换效率下的光伏方阵用地指标,如下表所示。
